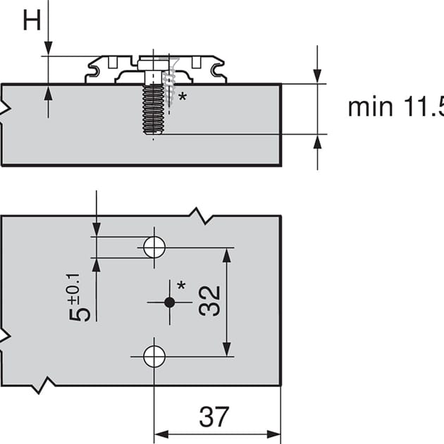
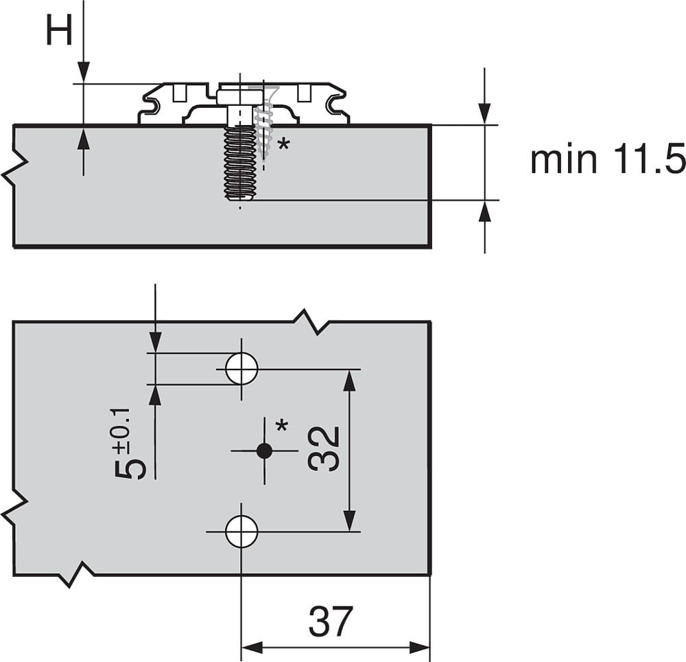
Monteringsplate fra Blum H9 37mm for montering med euroskruer (ikke inkl.).
Teknisk informasjon:
- Farge: Nikkel
- Monteringsplatesystem: Clip
- Materiale: Zamac
- Festemetode: Skrufeste for euroskruer (ikke inkl).
- Avstand fra skapfront til første festeposisjon: 37 mm
- Diameter hull: 5 mm
- Boredybde på hull: 11,5 mm
- Høydejustering: Med skrue (+/- 2 mm)
- Høyde: 9 mm