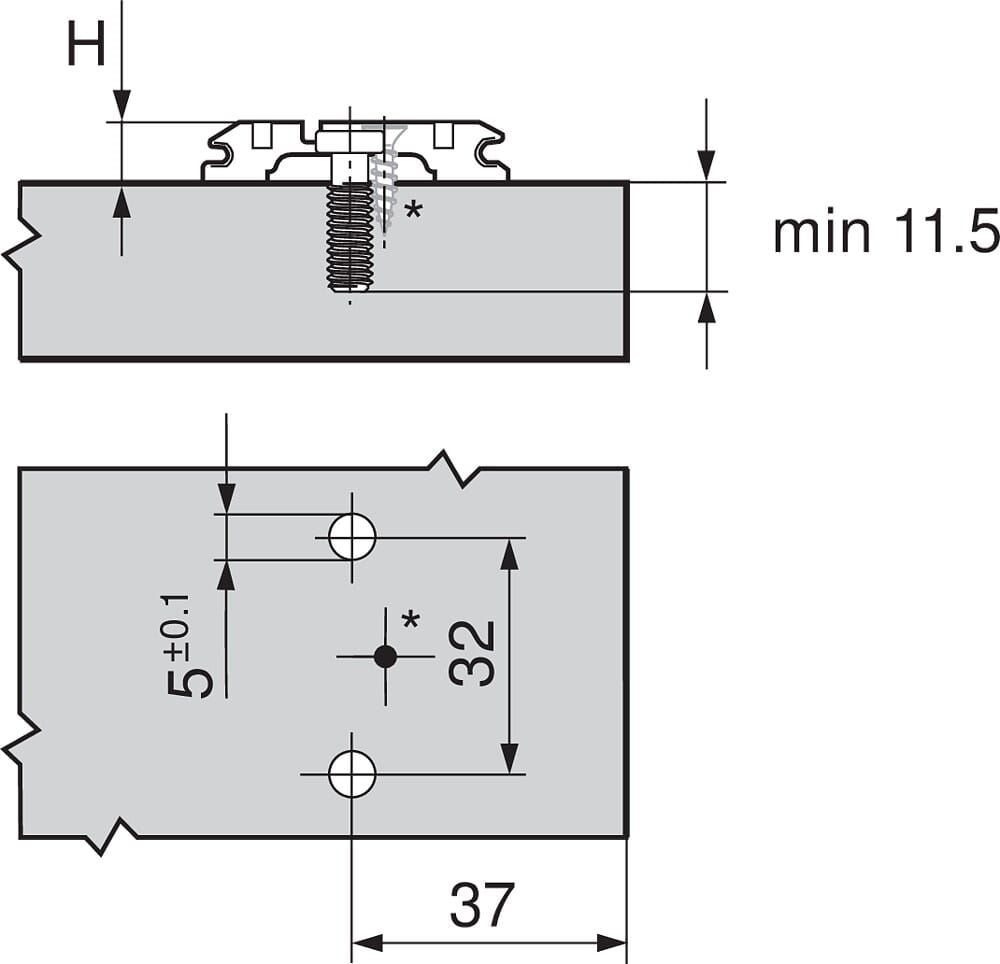
Denne kryssformede monteringsplaten i stål er for bruk med dübel splittplugger. Den har en 0 mm festeavstand og er egnet for tosidig montering, med utstyr for justering ved hjelp av utelengt hull.
Teknisk informasjon:
- System: Clip
- Form: Kryss
- Variant: Dobbel applikasjon
- Fixering: Dübel splittplugger
- Avstand fra skapfront til første festeposisjon: 37 mm
- Hulldiameter: 5 mm
- Dybdedyp for hull: 7,5 mm
- Justering: +/- 2 mm ved hjelp av utelengt hull
- Høyde: 8,5 mm
- Brukes til halvdekkende hengsler (K9,5) montert på enkel skillevegg.